Self-healing of concrete
(Didier Snoeck, Kim Van Tittelboom, Jianyun Wang, Arn Mignon, Joâo Feiteira, Adelaide Gomes De Araujo, Yusuf Cagatay Ersan, Tim Van Mullem, Xuejiao Zhu, Puput Risdareni)
Cracks in concrete are a common phenomenon due to the relatively low tensile strength. Durability of concrete is impaired by these cracks since they provide an easy path for the transportation of liquids and gasses that potentially contain harmful substances. If micro-cracks grow and reach the reinforcement, not only the concrete itself may be attacked, but also the reinforcement will be corroded. Therefore, it is important to control the crack width and to heal the cracks as soon as possible. Since the costs involved for maintenance and repair of concrete structures are usually high, this research focuses on the development of self-healing concrete. Self-healing of cracks in concrete would contribute to a longer service life of concrete structures and would make the material not only more durable but also more sustainable.
See our movie: Self-healing concrete by means of bacteria embedded in super absorbent polymers
Different healing mechanisms are investigated:
(1) Concrete has an autogenous healing capacity as unhydrated cement is present in the matrix. When water contacts the unhydrated cement, further hydration occurs. Furthermore, dissolved CO2 reacts with Ca2+ to form CaCO3 crystals. These two mechanisms, however, may only heal small cracks. (Kim Van Tittelboom, Didier Snoeck)
Autogenous healing
To enhance the healing mechanism, microfibres are added to the mixture. By mixing microfibres in the concrete, multiple cracking occurs. So, not one wide crack, but several small cracks are formed, which close more easily due to autogenous healing. (Didier Snoeck)
Multiple cracking
(2) Superabsorbent polymers (SAP), or hydrogels, are able to take up a large amount of fluid (up to 500 times their own weight) and to retain it in their structure without dissolving. When cracks occur, SAP are exposed to the humid environment and swell. This swelling reaction partly seals the crack from intruding potentially harmful substances. After swelling, SAP particles desorb and provide the fluid to the surrounding matrix for internal curing, further hydration and the precipitation of CaCO3. In this way, cracks may close completely. (Didier Snoeck)
Due to the fact that the pH in concrete drops from 12.8 to 9-10 when a crack occurs, it is useful to investigate pH sensitive hydrogels. These will only swell when a crack occurs and fresh water penetrates. (Arn Mignon)
Swollen SAP - Partial sealing of cracks by swelling SAP
(3) Cracks can be healed by using calcium carbonate precipitating micro-organisms. These organisms are embedded in the concrete matrix after immobilization on diatomaceous earth in microcapsules or in SAP, and will start the precipitation of CaCO3 once a crack occurs. Through this process the bacterial cell will be coated with a layer of calcium carbonate, resulting in crack filling. (Wang Jianyun)
Bacterial spores
CaCO3 precipitation by bacteria immobilized on diatomaceous earth – PU foam – silica gel
(4) One of the research programs considers the use of encapsulated polymers in order to obtain self-healing of concrete cracks. When a crack appears, the capsules break and the content is released. Due to capillary action, the agent will flow into the crack. After reaction, the crack faces are bonded together and the crack is thus healed.
Depending on the required regain in properties, different healing agents have been encapsulated. In order to reduce the water permeability of cracked concrete, polyurethane is provided inside the capsules. When strength regain is a more important issue, methyl methacrylate is encapsulated. For structures where the aesthetic aspect is important, water repellent agents can be encapsulated. (Kim Van Tittelboom)
As encapsulation material brittle glass or ceramic tubes have been used. However, since capsules have to survive the mixing process in concrete, research is currently focusing on the development of capsules with suitable properties to survive the mixing process and to release the healing agent when cracks appear in the hardened matrix. (Kim Van Tittelboom, Adelaide Araujo)
3-point bending test: release of healing agent - Visualization of capsules and healing agent by tomography
In the case of dynamic cracks in structures under cyclic load (e.g. due to traffic or temperature variations), encapsulated elastic polymers can be used. While cracks healed with CaCO3 would reopen upon reloading and new cracks would form in the case of rigid polymers, elastic polymers should be able to bridge cracks of increasing width. Thus, for this particular application, strength regain is not as important as an effective sealing of cracks. Adhesive properties and strain capacity of elastic polymeric healing agents in service are assessed. (Joâo Feiteira)
(5) While fly-ash and blast-furnace slag concrete seem to be inferior with regard to the early age microstructure and strength development, their self-healing capability can be much higher, precisely because of the low hydration degree of the slag and fly-ash particles. Upon cracking, the unreacted particles can be activated again in order to close the crack and to regain water impermeability and strength. The suitability of different types of alkali-activators (e.g. NaOH, KOH or silicate solution) has been investigated.
OPC mortar -water BFS mortar - NaOH F-A mortar - Na-silicate
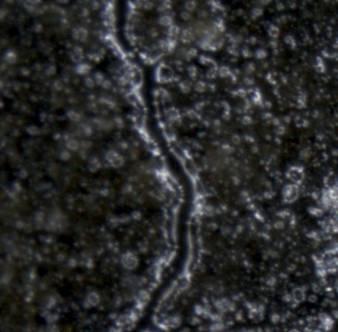
Visualization of crack closure by means of optical microscopy
Besides, service life predictions are performed for self-healing concrete based on the durability in aggressive environments with high sulphate and chloride concentrations or in the case of carbonation. (Mathias Maes, Philip van den Heede)
(6) Test procedures for self-healing efficiency (Tim Van Mullem)
Standard procedures are being developed in order to compare the effectiveness of different self-healing approaches against one another. The aim of these procedures is to analyse the regain in liquid tightness and mechanical properties. Another procedure focuses on the durability of self-healing concrete with respect to carbonation and chloride ingress.
Also a study on the effect of the addition of healing agents on the creep behaviour of concrete has been initiated.
This project is supported by the Ministry of Land, Infrastructure and Transport of the Korean Government.
Part of the work mentioned here is funded by EU-FP7. We refer to the webpages of the HEALCON project, the SHeMat, project CAPDESIGN and the LORCENIS project for more information.













